欢迎来到河北桥星减速机制造有限公司网站!
0317-7343606
查看分类
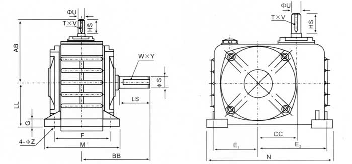
减速机是一种动力传达机构,利用齿轮的速度转换器,将电机(马达)的回转数减速到所要的回转数,并得到较大转矩的机构。在目前用于传递动力与运动的机构中,减速机的应用范围相当广泛。几乎在各式机械的传动系统中都可以见到它的踪迹,从交通工具的船舶、汽车、机车,建筑用的重型机具,机械工业所用的加工机具及自动化生产设备,到日常生活中常见的家电,钟表等等。其应用从大动力的传输工作,到小负荷,精确的角度传输都可以见到减速机的应用,且在工业应用上,减速机具有减速及增加转矩功能。因此广泛应用在速度与扭矩的转换设备。
上一条:辽宁WPX型蜗杆减速机
下一条:辽宁WS蜗轮减速机
扫一扫手机网站
在线客服
0317-7343606
1402381865@qq.com
QQ交谈